- Elektroinstallation
- Sicherheitsbeleuchtung
- Jalousiesteuerung
- Brandmeldeanlage
- Beschallungsanlage
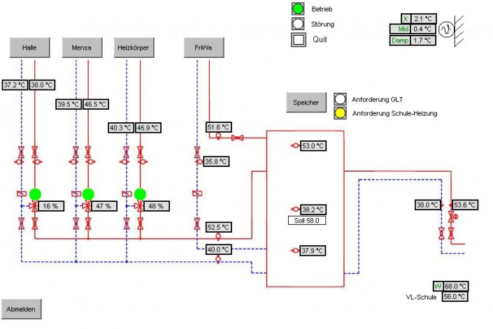
- Gebäudeautomation mit KNX und MSR-Technik
![]()
Baiereckerstraße 50
73614 Schorndorf-Schlichten
![]()
07181/42803
![]()
Geschäftszeiten
Montags bis Freitags
8:00 - 12:00 Uhr | 13:00 - 17:00 Uhr
















